Projekt:Industrie-Ampel

Aus k4cg.org
Projekt:Industrie-Ampel
Betreuer*In karl, Poschi, Mayosemmel
Jahr 2026
Läuft auf TODO
Status realisiert

Industrie-Ampel mit Anbindung zu Home Assistant.

Ampel: TB50-3W-D @ 24V von TAYB

Hardware

Die Ampel wird mit einer Spannung von 24V versorgt. Neben zwei Versorgungskabel mit größerem Querschnitt (Schwarz und Rot) befinden sich an der Ampel noch vier Steuerkabel mit einem kleineren Querschnitt (Rot, Gelb, Grün, Grau).

Versorgt man die Ampel mit 24V über die beiden Versorgungskabel und verbindet bspw. das rote mit dem grauen Steuerkabel blinkt die Ampel mit einem durch die Hardware definierten Takt. Für unseren Anwendungsfall möchten wir jedoch die Blink-Frequenz selbst bestimmen können. Dazu wird an das rote Versorgungskabel 24V angelegt. Die Steuerkabel (Rot, Gelb und Grün) stellen dann die jeweilige Masse dar. Das schwarze Versorgungskabel und das graue Steuerkabel wird nicht benötigt und verbleibt offen.

Industrie-Ampel Systemaufbau.png
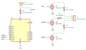
AnsteuerungIndustrieAmpelMitEsp32.png

Das ganze wird mit drei MOSFETs von einem Mikrocontroller (ESP32) aus gesteuert. Zusammen mit einem fertigen Buck-Wandler-Modul von 24V auf 5V kann das gesamte System von einem 24V Netzteil aus versorgt werden.

Ansteuerungsoptionen laut Anleitung:

Software

TODO ESPHome

Mechanik

TODO Gehäuse